78110A雷达信号模拟软件(简称雷达信号模拟软件)主要用于模拟产生雷达发射信号和目标回波信号,软件将编译生成的雷达信号任意波数据下载到信号发生器中,主要是1466-V矢量信号发生器,可实现雷达信号模拟产生。软件可模拟产生雷达脉冲信号,可实现复杂脉冲包络和脉内调制,具有重频参差、抖动、滑变模拟功能。同时,软件可实现雷达目标回波信号模拟,最大可同时模拟64个目标的回波信号,支持5种雷达天线扫描方式,支持脉内复杂多调制信号和多雷达同时到达脉冲信号模拟。雷达信号模拟软件可用于接收机测试和复杂电磁环境模拟,最大化模拟真实雷达信号环境。
雷达信号模拟测试解决方案主要由雷达信号模拟软件和思仪科技旗下的信号发生类仪器产品组成,利用该系统用户可以方便快捷的进行雷达接收机测试。用户根据需求进行软件参数设置,完成编译后将数据下载至仪器中进行数模转换,并进行射频输出。在图1所示的雷达接收机测试系统中,1466-V矢量信号发生器将信号模拟软件产生的基带信号进行上变频,再通过空馈或线馈的方式输出到雷达接收机中。用户利用雷达信号模拟软件可从信号的角度出发,对信号参数进行具体设置,产生具有某些典型特征的脉冲信号,从而验证雷达接收机检测和识别功能。

软件特色
雷达发射信号、目标回波信号及杂波噪声干扰信号模拟功能;
复杂脉冲包络、脉冲重频信号模拟功能;
复杂脉内调制信号模拟功能;
脉内多调制及同时到达多脉冲信号模拟功能;
支持模拟多种天线扫描方式,并可自定义设置天线方向图。
雷达信号模拟软件内部数据产生流程如图所示。雷达信号模拟软件提供友好的参数设置和预览界面,用户可根据需求方便快捷的设置相关参数。软件对设置好的数据集合进行解析,进而编译产生指定类型和参数的雷达信号,并以文件形式存放于系统存储空间,以待用户提取调用。此外,软件也可直接对产生的波形数据通过LAN通信传输至信号发生器,实现射频输出。
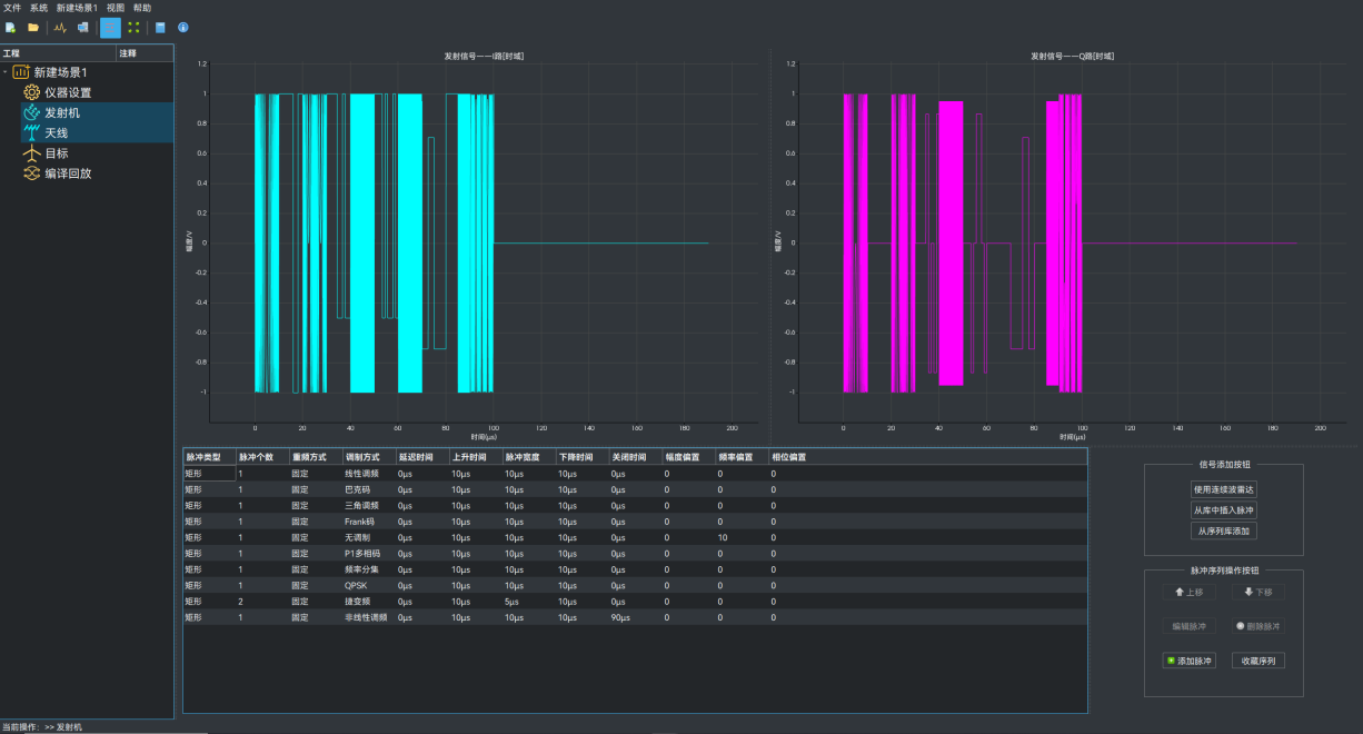
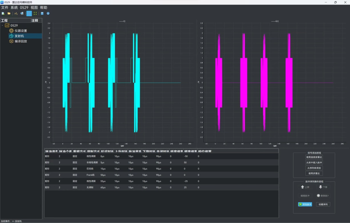
雷达信号模拟软件内置丰富的信号波形库,用户可以实现对脉冲信号的控制,构建定制脉冲波形。脉冲库中脉冲信号幅度、频率、相位以及脉冲重频均可灵活设置,可任意定义多种脉冲包络样式。雷达信号模拟软件提供常用脉冲包络编辑功能,包括矩形、梯形、升余弦、根升余弦、指数以及锯齿包络,用户还可自定义脉冲包络。此外,雷达信号模拟软件具有丰富的脉内、脉间调制样式,提供包括线性调频、三角调频、Frank码、巴克码、QPSK、FSK在内的多种复杂脉内调制方式。图为具有梯形包络的线性调频信号,从图中可以看出,用户可以在多种调制样式中进行选择。
雷达信号模拟软件内置脉冲序列库功能,用户可以对脉冲库中定义的脉冲信号进行拼接建立新的脉冲序列信号。图为雷达信号模拟软件建立的脉冲序列信号,该序列信号共包含3个脉冲信号,分别具有不同的脉冲包络和调制样式。
雷达信号模拟软件最多可同时模拟64个目标的回波信号,目标可方便添加和删除。此外,用户可对目标的典型特征进行设置,包括目标起始位置、速度、加速度、RCS、起伏类型等。软件内置算法可以将用户输入的上述目标参数转换成信号特征,例如将速度信息转换成多普勒信息等,最终输出符合用户需求的信号。图为雷达信号模拟软件目标设置界面,模拟的目标个数为2。
雷达信号模拟软件支持脉内多调制及同时到达多脉冲信号模拟功能,用户可以在一个脉冲内添加多种调制方式的雷达信号以及进行多雷达信号同时到达模拟。图为雷达信号模拟软件建立的脉内多调制信号模拟界面和多雷达信号同时到达模拟界面,该脉冲信号内部包含多种雷达信号样式,每种雷达信号具有不同的调制样式。
天线方向图和扫描方式模拟是雷达回波信号模拟过程中不可或缺的步骤,主要体现在对目标回波信号的幅度调制。雷达信号模拟软件可模拟天线圆周扫描、扇扫描、圆锥扫描、螺旋扫描和栅扫描5种天线扫描样式,同时支持Sinc型、高斯型和自定义型3种天线方向图类型。针对每种天线扫描样式软件提供有天线增益、3dB波束宽度等参数配置功能。图为软件天线方向图和扫描方式设置界面,天线方向图为Sinc型,天线进行圆周扫描。
雷达信号模拟软件可模拟丰富的雷达背景信号,支持杂波、干扰、噪声等背景信号模拟,结合目标信号模拟,为验证雷达复杂背景下目标检测性能和接收通道射频性能提供了可能。软件可模拟地杂波、海杂波和气象杂波,涵盖不同种类雷达所面临的杂波环境。此外,雷达信号模拟软件可以直接通过杂波类型或杂波统计特性对杂波进行建模仿真。图为软件模拟产生的气象杂波信号,幅度服从瑞利分布,谱分布为柯西分布。
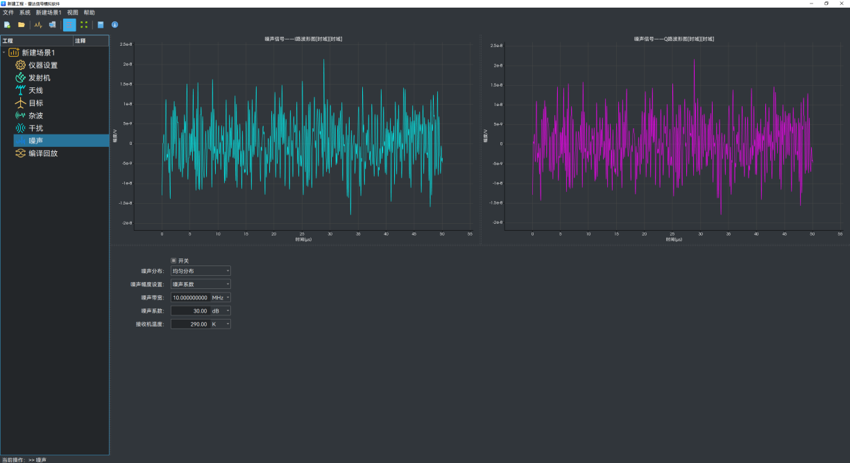
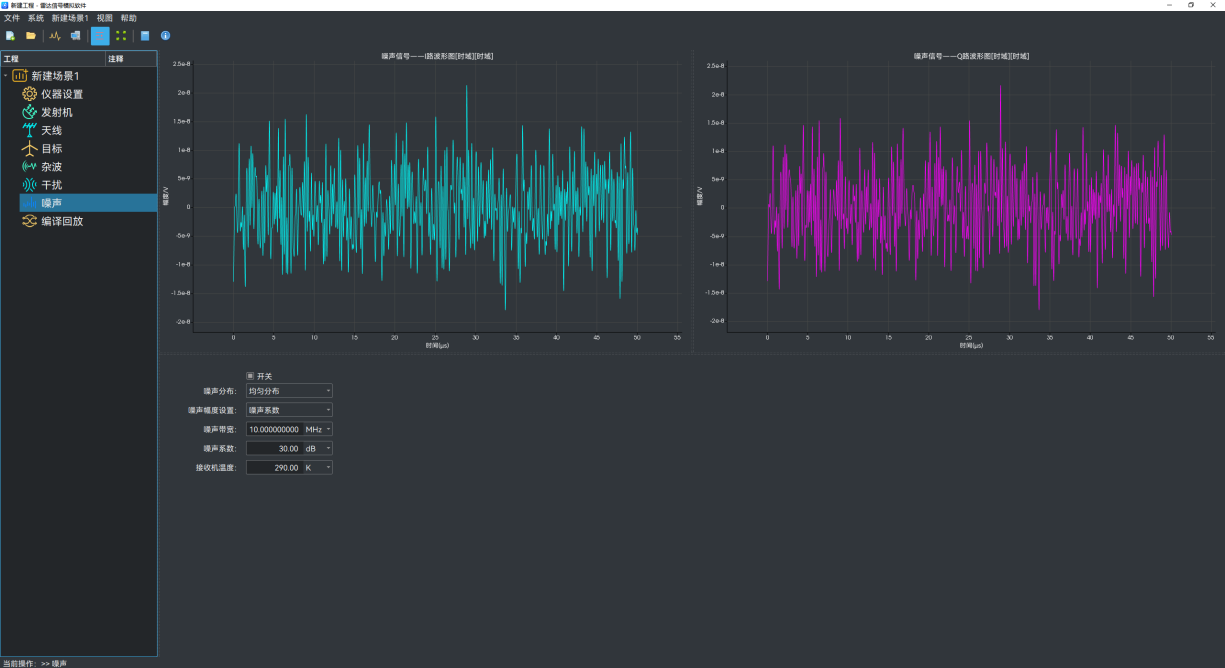
雷达信号模拟软件可模拟两类干扰信号,一类为无源干扰信号,一类为有源干扰信号。无源干扰主要指箔条干扰信号,有源干扰信号又分为压制式干扰信号和欺骗式干扰信号。此外,雷达信号模拟软件还可模拟产生均匀分布和高斯分布两类噪声信号,用于模拟现实雷达回波信号中的噪声信号。图为信号模拟软件模拟具有均匀分布的噪声信号。
可拖动左右查看列表全部
|
型号 |
重量 |
功耗 |
温度范围 |
扫描模式 |
扫描驻留时间 |
对比 |
|---|
在线商城
联系
青岛总部
地址
山东省青岛市黄岛区香江路98号
400 热线电话
微信
TOP